CONNETTORI MASCHIO PER FLAT ID

CONNETTORE MASC. 26P PASSO 2,54 PER FLAT

CONNETTORE MASC. 26P PASSO 2,54 PER FLAT

CODICE: 4732091

Avvisami quando disponibile
Se ordinato disponibile per la spedizione in 5 giorni
Prezzi Iva Inclusa
1 PZ
€ 3,6600
3 PZ
€ 3,3855
preventivo per quantità
Scheda Tecnica

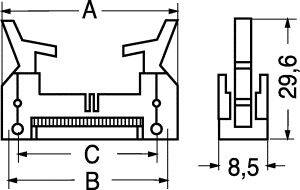
Descrizione: Connettore maschio volanti a perforazione d'isolante per cavo piatto

Struttura: poliest.caric.vetro

Contatto: bronzo fosforoso

Numero contatti: 26 Poli

Portata: 1A 250Vac

Passo: 2,54mm

Dimensioni: Lunghezza totale 52,3mm altezza PIN inclusi 29,6mm spessore 8,5mm

Annotazioni:
indirizzo del produttore
IN PREPARAZIONE
indirizzo Responsabile EU
Comp.El. Componenti Elettronici
Via Campania, 20/A
09121 CAGLIARI
compel@compel-elettronica.com


identificazione dei rischi
  • Tenere fuori dalla portata dei bambini