CAPSULE MICROFONICHE

CAPSULA MICROFONICA 9,7x6,5MM 20-16Khz CON 2 FILI

CAPSULA MICROFONICA 9,7x6,5MM 20-16Khz CON 2 FILI

CODICE: 3303016

Prodotto disponibile
Prezzi Iva Inclusa
1 PZ
€ 1,7050
3 PZ
€ 1,3957
preventivo per quantità
Scheda Tecnica

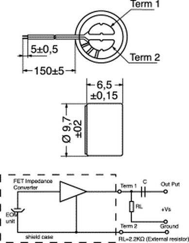
Descrizione: Capsula microfonica a condensatore omnidirezionale
compresi fili di collegamento rosso nero.

Sensibilità: 44±2 dB

Impendenza:<2,2 kohm

Alimentazione: 3 Vcc

Dimensioni: diametro 9,7x 6,5 mm 2 fili lunghi 150 mm

Annotazioni:


Capsule microfoniche Microfono omnidirezionale
indirizzo del produttore
IN PREPARAZIONE
indirizzo Responsabile EU
Comp.El. Componenti Elettronici
Via Campania, 20/A
09121 CAGLIARI
compel@compel-elettronica.com


identificazione dei rischi
  • Tenere fuori dalla portata dei bambini